1
/
of
3
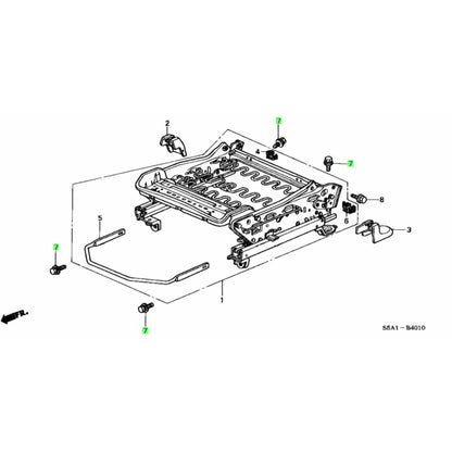
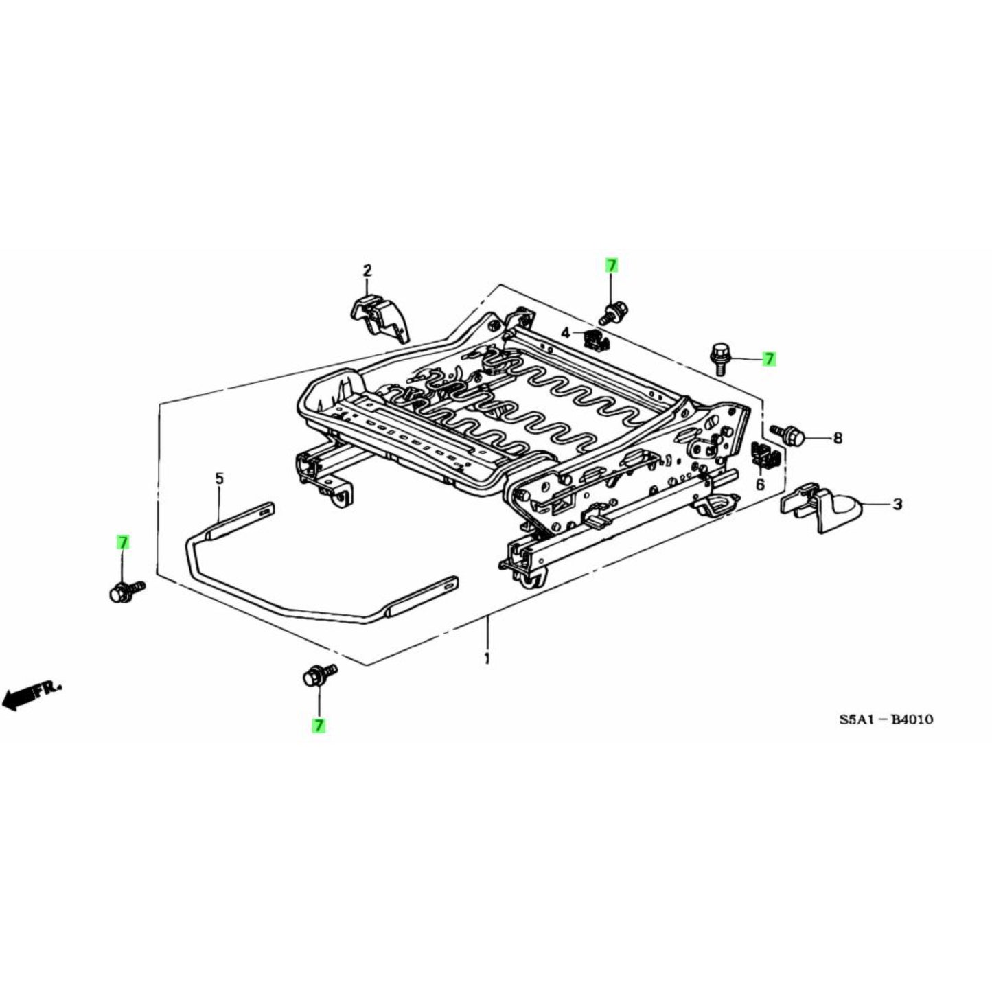
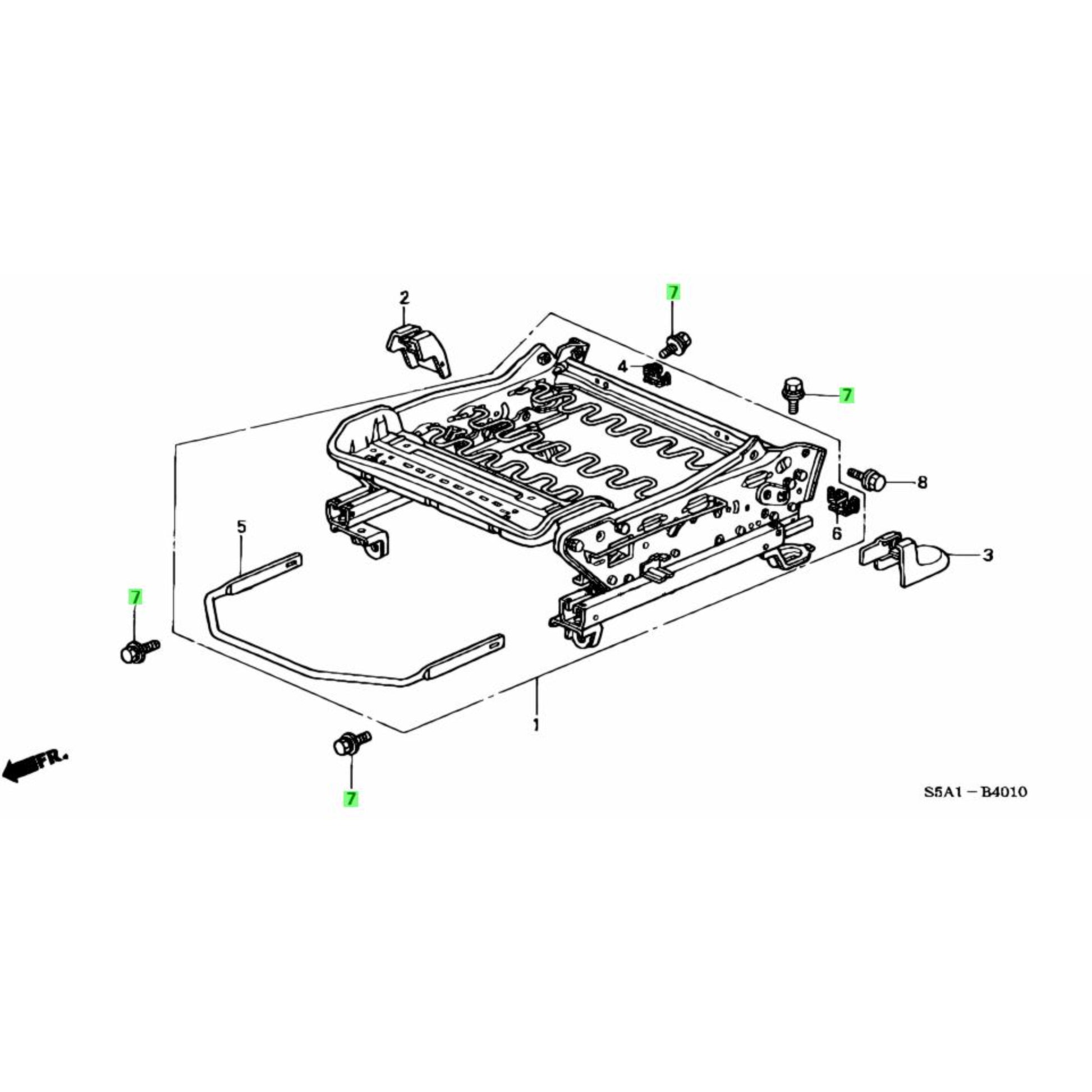
Honda OEM Seat Rail Bolt
Honda OEM Seat Rail Bolt
Regular price
$10.00 AUD
Regular price
Sale price
$10.00 AUD
Unit price
/
per
Shipping calculated at checkout.
Couldn't load pickup availability
To suit EP3/DC5/FD2.
Fits most 00's Honda's
Ref. No. 7
